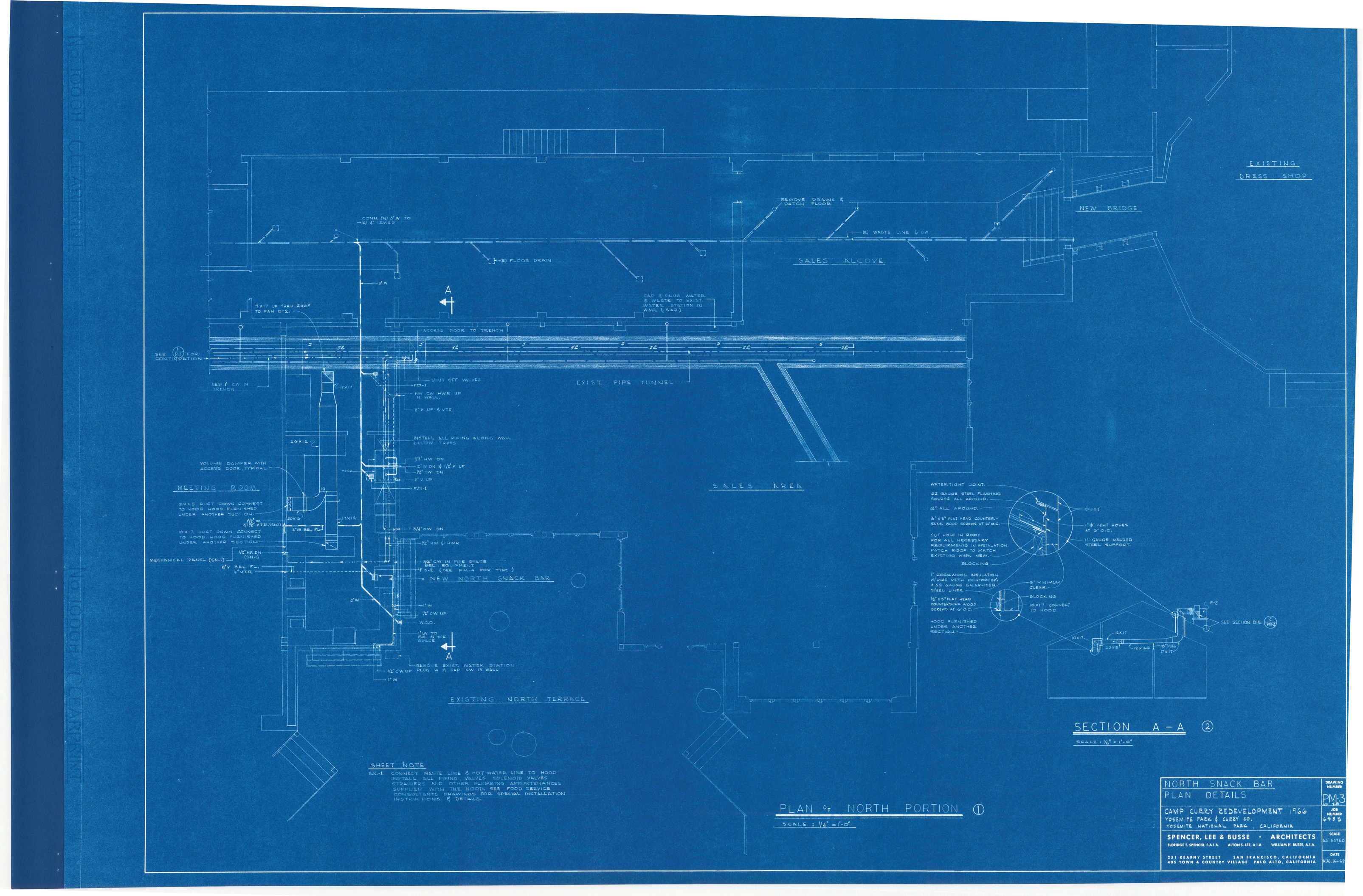
Camp Curry Redevelopment 1966
Select Item below to DOWNLOAD - Once item is selected, right click and choose 'save as'
5e12c920-b274-41ee-aeeb-63d40362f4a3
Camp Curry Redevelopment 1966
Camp Curry Redevelopment 1966
North Snack Bar Plan Details
Item Number: YOSEAR002190O, AlternateId: NP-YOS 8447-A, Job No.6435
Contact Yosemite National Park for more copyright information and use
Public domain:This digital asset is in the public domain. When using this asset for any purpose, including online, credit:'Courtesy U.S. National Parks'
Image
Yosemite National Park, Code: YOSE
Yosemite National Park, California
Yosemite National Park, California
Latitude: 37.8399200439453, Longitude: -119.540397644043

1965
01/01/1965 - 12/30/1965
Type:blueprint , Dimensions: 28 x 42, Condition: good
YOSE Location: E5 DR2 F(5-B-03-002) Curry Village - Comprehensive Site Plans
Public Can View
Spencer, Lee and Busse
Person: Archivist
Organization: US National Park Service
Address: Yosemite National Park Archives, PO Box 700-W, El Portal, CA 95318
Email: yose_archives@nps.gov

Thursday, July 6, 2023 8:36:44 PM
Thursday, July 6, 2023 8:36:44 PM
YOSEAR002190O.jpg
jpg
89.3 MB
Historic , Map