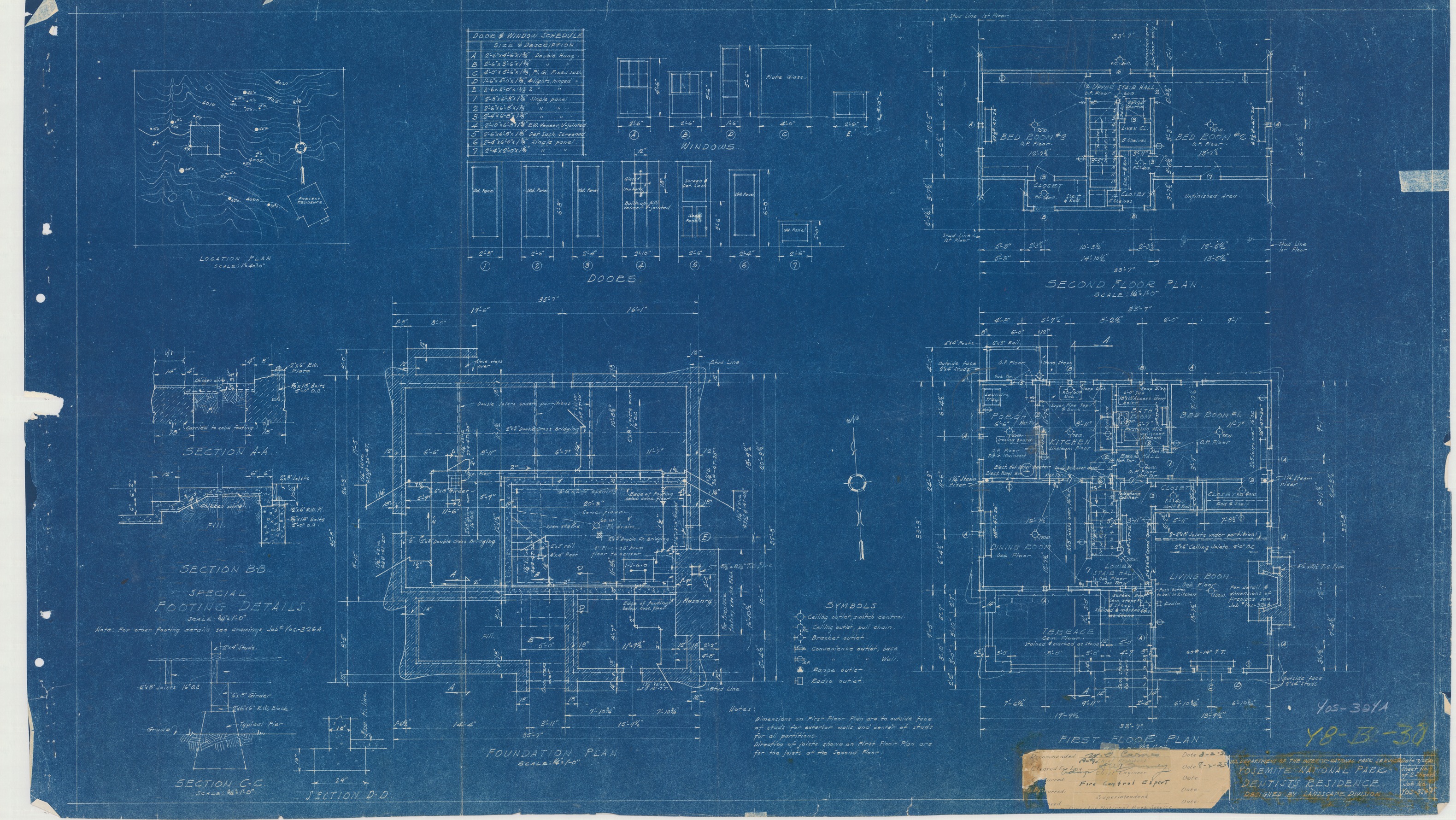
Dentist's Residence, #48
Select Item below to DOWNLOAD - Once item is selected, right click and choose 'save as'
c862134a-d334-4d53-ad44-9045c1829f2b
Dentist's Residence, #48
Dentist's Residence, #48
Floor plans, doors, foundation plan, and location plan.
Item Number: YOSEAR002471A, AlternateId: YOS-324-A, Y8-3-30
Contact Yosemite National Park for more copyright information and use
Public domain:This digital asset is in the public domain. When using this asset for any purpose, including online, credit:'Courtesy U.S. National Parks'
Image
Yosemite National Park, Code: YOSE
Yosemite National Park, California
Yosemite National Park, California
Latitude: 37.8399200439453, Longitude: -119.540397644043

1931
01/01/1931 - 12/30/1931
Type:blueprint, Dimensions: 28 x 40, Condition: good
YOSE Location: E5 DR8 (Employee Housing - Hopsital Staff, Doctor, Dentist, Four Family Residence - Best Residence)
Public Can View
Department of Interior, National Park Service, Landscape Division
Person: Archivist
Organization: US National Park Service
Address: Yosemite National Park Archives, PO Box 700-W, El Portal, CA 95318
Email: yose_archives@nps.gov

Thursday, June 15, 2023 11:59:51 PM
Thursday, June 15, 2023 11:59:51 PM
YOSEAR002471A.tif
tif
1080.4 MB
Historic , Map