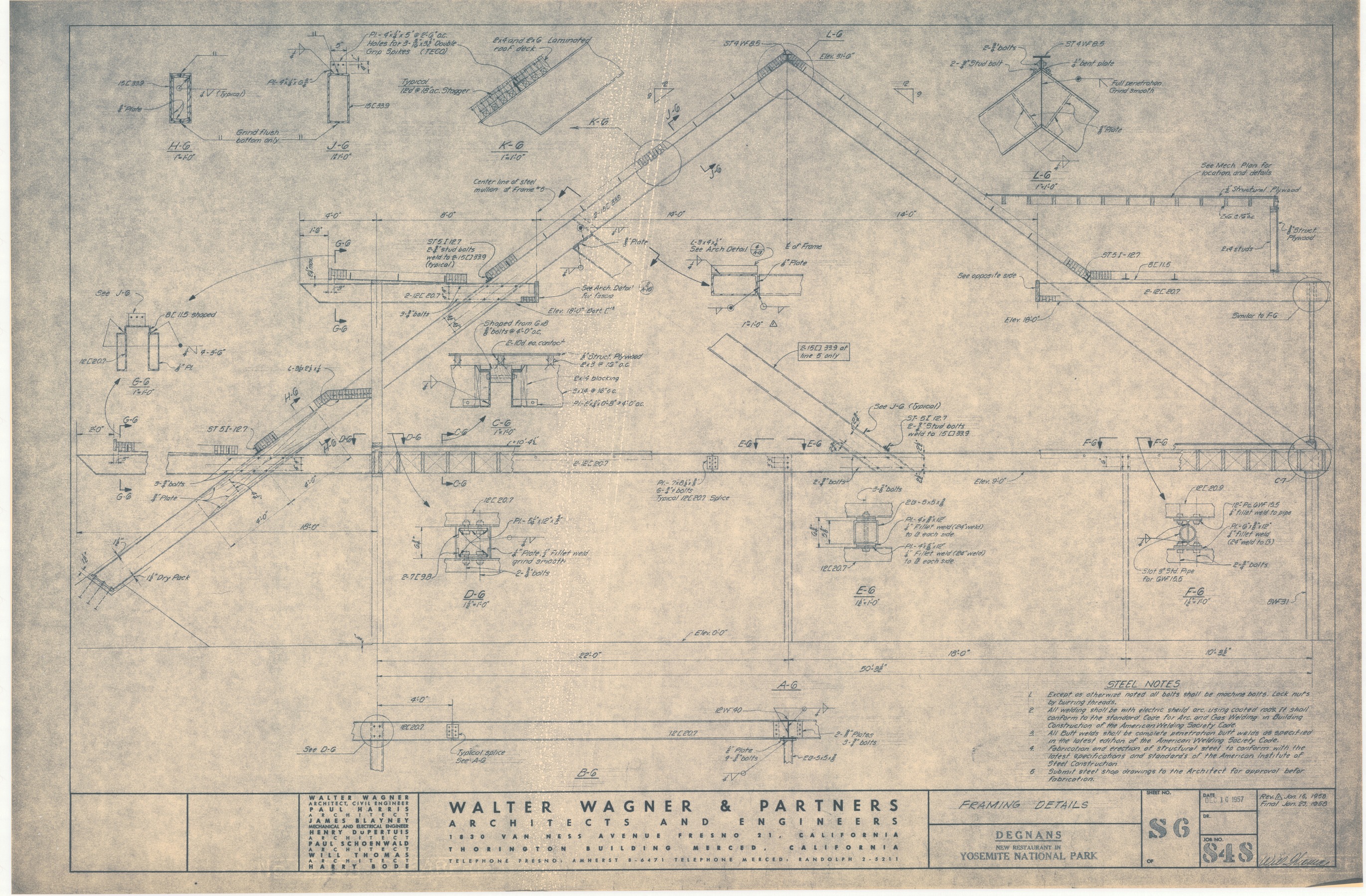
Degnan's New Restaurant in Yosemite National Park
Select Item below to DOWNLOAD - Once item is selected, right click and choose 'save as'
b7bb595e-07e2-44cd-8465-473a4d5d8583
Degnan's New Restaurant in Yosemite National Park
Degnan's New Restaurant in Yosemite National Park
Framing Details
Item Number: YOSEAR002204G, AlternateId: Job No. S4S, S6
Contact Yosemite National Park for more copyright information and use
Public domain:This digital asset is in the public domain. When using this asset for any purpose, including online, credit:'Courtesy U.S. National Parks'
Image
Yosemite National Park, Code: YOSE
Yosemite National Park, California
Yosemite National Park, California
Latitude: 37.8399200439453, Longitude: -119.540397644043

1957
01/01/1957 - 12/30/1957
Type:paper diazos, Dimensions: 24 x 36, Condition: good
YOSE Location: E5 DR3 F(5-C-1-00) Yosemite village - buildings and stuctures - Degnan's
Public Can View
Walter Wagner & Partners
Person: Archivist
Organization: US National Park Service
Address: Yosemite National Park Archives, PO Box 700-W, El Portal, CA 95318
Email: yose_archives@nps.gov

Wednesday, July 5, 2023 5:22:39 PM
Wednesday, July 5, 2023 5:22:39 PM
YOSEAR002204G.tif
tif
946.9 MB
Historic , Map