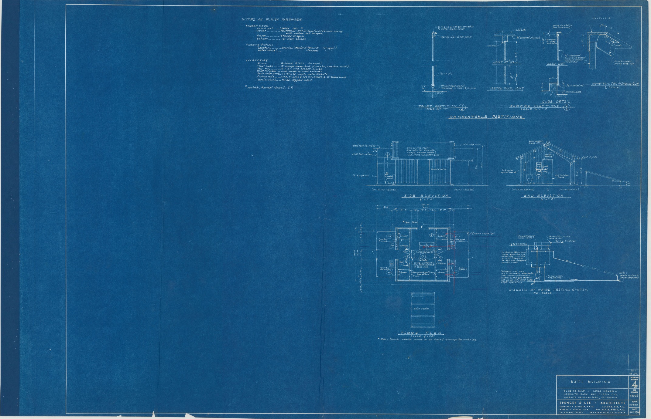
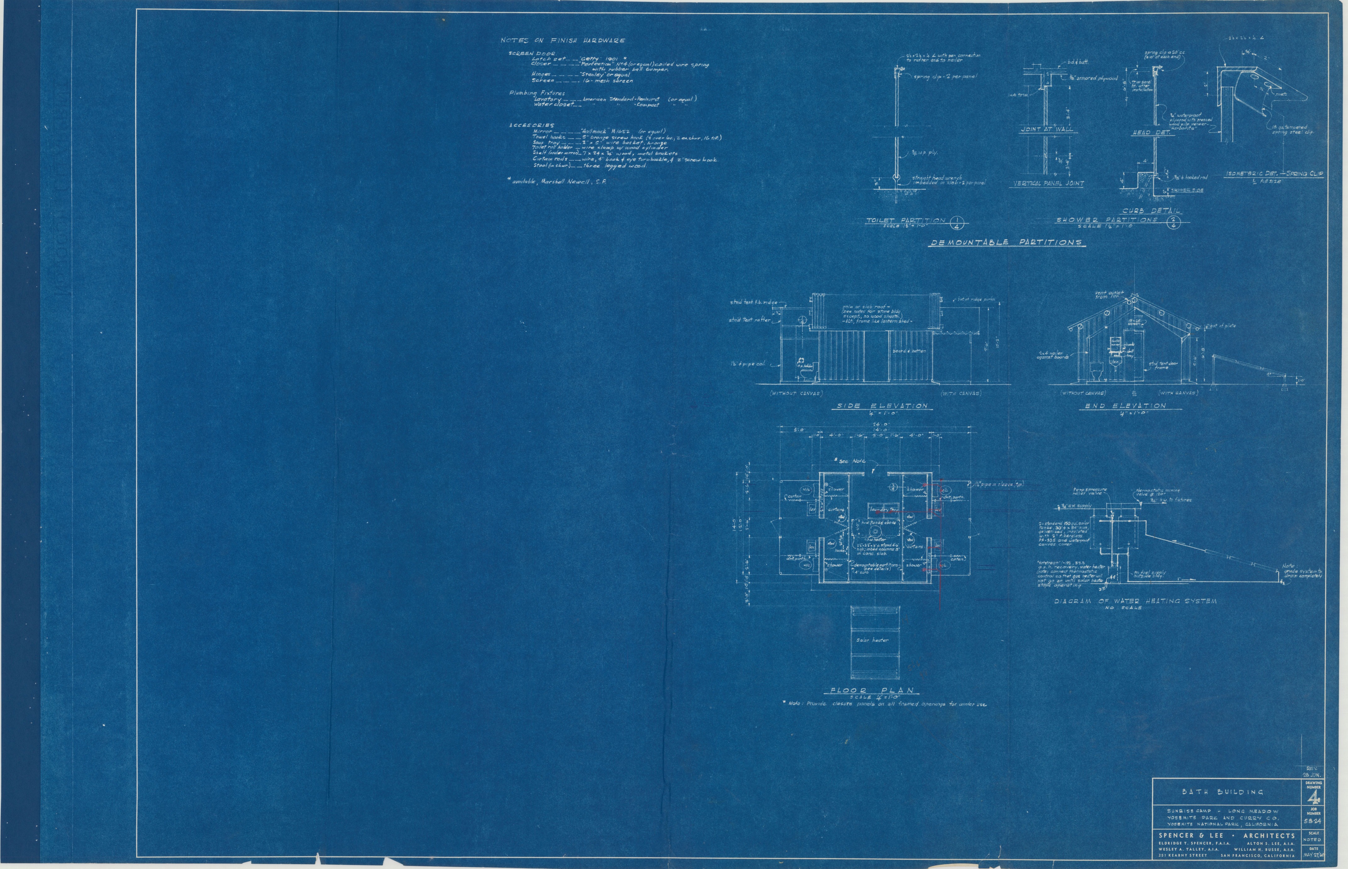
Bath Building Sunrise Camp
Select Item below to DOWNLOAD - Once item is selected, right click and choose 'save as'
986ce98f-c94f-4a94-8f23-f9a3a8e388a1
Bath Building Sunrise Camp
Bath Building Sunrise Camp
Floor plan and elevations for bath building at sunrise camp
Item Number: YOSEAR000221O; AlternateId: 250-000-0000-09-(60), 5824
Contact Yosemite National Park for more copyright information and use
Public domain:This digital asset is in the public domain. When using this asset for any purpose, including online, credit:'Courtesy U.S. National Parks'
Image
Yosemite National Park, Code: YOSE
Yosemite National Park, California
Latitude: 37.8399200439453, Longitude: -119.540397644043

1960
01/01/1960 - 12/30/1960
Type: blueprint; Dimensions: 28 x 42.5; Condition: good
YOSE Location: E1 DR5 F7
Public Can View
Spencer and Lee
Person: Archivist
Organization: US National Park Service
Address: Yosemite National Park Archives, PO Box 700-W, El Portal, CA 95318
Email: yose_archives@nps.gov

Tuesday, July 26, 2022 9:16:05 PM
Tuesday, July 26, 2022 9:16:05 PM
YOSEAR000221O.tif
tif
82.3 MB
Scenic , Map