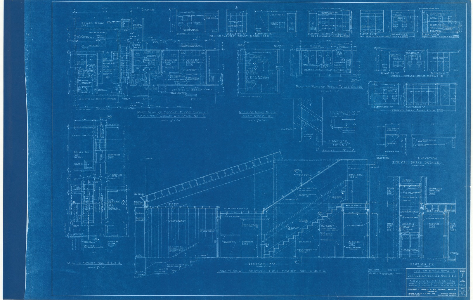
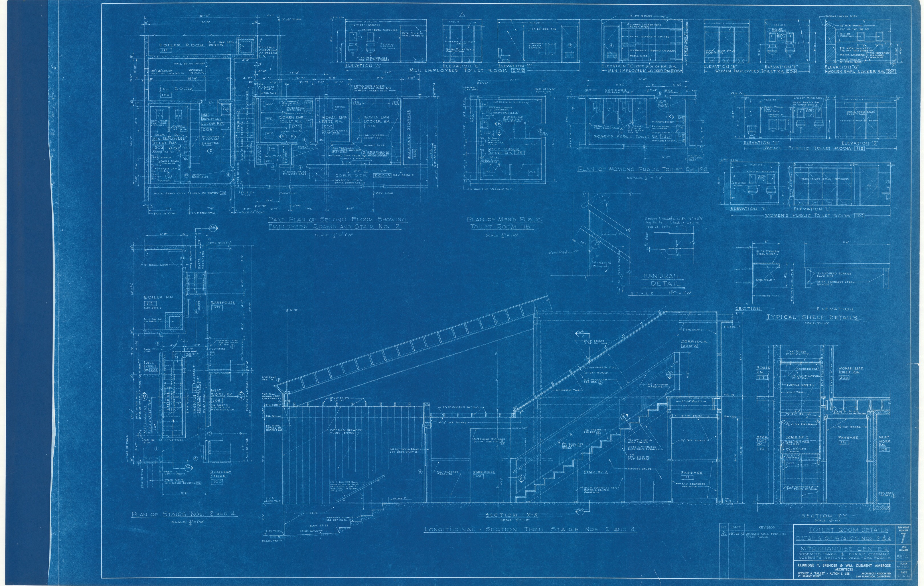
Toilet Room Details Details of Stairs NOS 2 & 4 Merchandise Center Yosemite Park and Curry Co
Select Item below to DOWNLOAD - Once item is selected, right click and choose 'save as'
845618ca-3c7a-4752-8b75-b62c1e709adc
Toilet Room Details Details of Stairs NOS 2 & 4 Merchandise Center Yosemite Park and Curry Co
Toilet Room Details Details of Stairs NOS 2 & 4 Merchandise Center Yosemite Park and Curry Co
Plans of public toilet rooms with stairs
Item Number: YOSEAR000343F; AlternateId: 7, 5314
Contact Yosemite National Park for more copyright information and use
Public domain:This digital asset is in the public domain. When using this asset for any purpose, including online, credit:'Courtesy U.S. National Parks'
Image
Yosemite National Park, Code: YOSE
Yosemite National Park, California
Latitude: 37.8399200439453, Longitude: -119.540397644043

1956
01/01/1956 - 12/30/1956
Type: blueprint; Dimensions: 28 x 42.5; Condition: good
YOSE Location: E1 DR9 F5
Public Can View
Spencer and Ambrose
Person: Archivist
Organization: US National Park Service
Address: Yosemite National Park Archives, PO Box 700-W, El Portal, CA 95318
Email: yose_archives@nps.gov

Tuesday, July 26, 2022 8:01:16 PM
Tuesday, July 26, 2022 8:01:16 PM
YOSEAR000343F.tif
tif
196.8 MB
Scenic , Map