Addition to Residence #44
Select Item below to DOWNLOAD - Once item is selected, right click and choose 'save as'
69fd34ec24ff4051abdcf1b3a2a92515
Addition to Residence #44
Addition to Residence #44
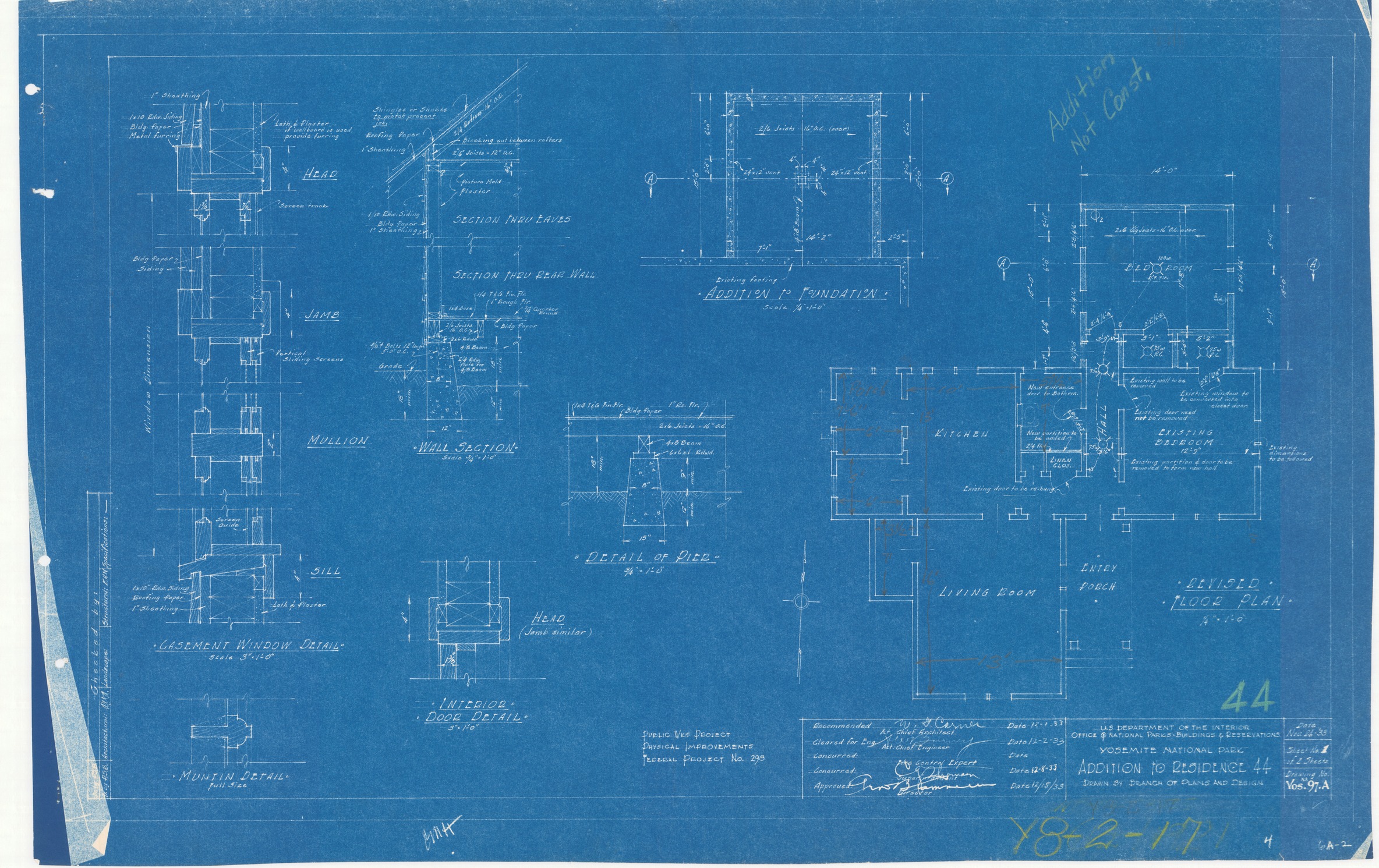
Floor plans and details. Handwritten note on blurprint says "addition not const."
Item Number: YOSEAR002447A, AlternateId: Y8-2-17, YOS. 97.A
Contact Yosemite National Park for more copyright information and use
Public domain:This digital asset is in the public domain. When using this asset for any purpose, including online, credit:'Courtesy U.S. National Parks'
Image
Yosemite National Park, Code: YOSE
Yosemite National Park, California
Yosemite National Park, California
Latitude: 37.8399200439453, Longitude: -119.540397644043

1933
01/01/1933 - 12/30/1933
Type:blueprint, Dimensions: 20 x 31, Condition: good
YOSE Location: E5 DR8 (Employee Residences - Blueprints)
Public Can View
Department of Interior, National Park Service, Branch of Plans and Design
Person: Archivist
Organization: US National Park Service
Address: Yosemite National Park Archives, PO Box 700-W, El Portal, CA 95318
Email: yose_archives@nps.gov

Friday, June 16, 2023 2:31:55 PM
Friday, June 16, 2023 2:31:55 PM
YOSEAR002447A.tif
tif
678.8 MB
Historic , Map