Select Item below to DOWNLOAD - Once item is selected, right click and choose 'save as'
bff60626-b25c-429c-bd09-064a23a95e40
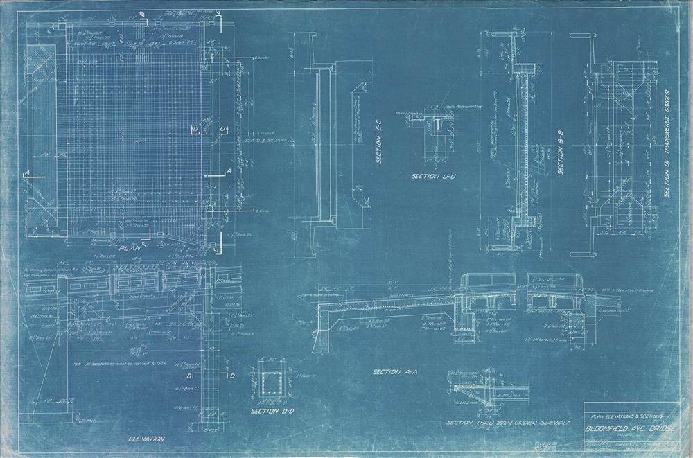
20449.BL-Passaic NJ--Bloomfield Avenue Bridge [1926]
Bloomfield Avenue Bridge--Plan, elevation, and sections--Passaic NJ [1926.08.03] Sheet no. 5 of 9
Permission must be secured from the individual copyright owners to reproduce any copyrighted materials contained within this website. Digital assets without any copyright restrictions are public domain.
Public domain
Railroads, (NPS Focus Subject Thesaurus)
Image
Steamtown National Historic Site, Code: STEA
Passaic NJ
Bloomfield Avenue Bridge
ANCS : 002/003.06.03.02-20449.BL
Legacy NPS Focus Record ID : 512782
07/03/1926 - 09/25/1926
Public Can View
Ray, George J. Delaware, Lackawanna & Western Railroad
Patrick McKnight
Thursday, April 10, 2014 2:16:15 PM
Thursday, August 10, 2017 7:36:34 AM
STEA-c567a00f1a1a467c8065f0b64cf9efdc.jpg
Monday, January 1, 0001 12:00:00 AM
jpg
2.7 MB
Historic , Museum