Select Item below to DOWNLOAD - Once item is selected, right click and choose 'save as'
0d5bb157-ad98-4e16-bafa-327a774b07e4
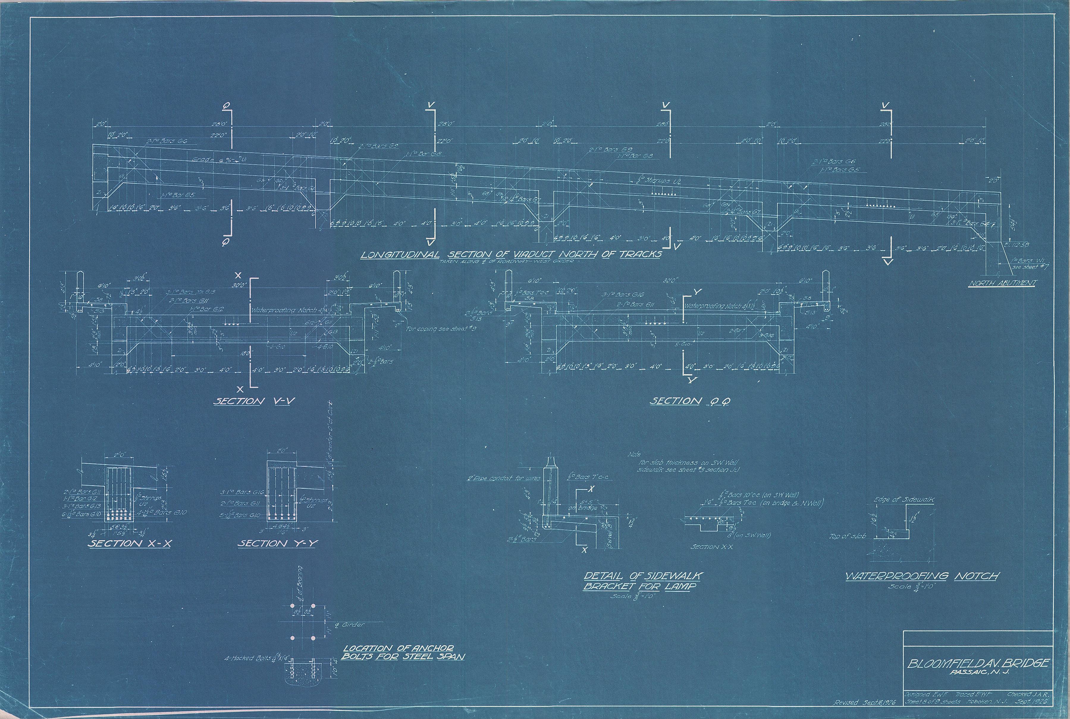
20449.BL-Passaic NJ--Bloomfield Avenue Bridge [1926]
Bloomfield Avenue Bridge--Details and steel sheet--Passaic NJ [1926.09] Sheet no. 8 of 9
Permission must be secured from the individual copyright owners to reproduce any copyrighted materials contained within this website. Digital assets without any copyright restrictions are public domain.
Public domain
Railroads, (NPS Focus Subject Thesaurus)
Image
Steamtown National Historic Site, Code: STEA
Passaic NJ
Bloomfield Avenue Bridge
ANCS : 002/003.06.03.02-20449.BL
Legacy NPS Focus Record ID : 512782
07/03/1926 - 09/25/1926
Public Can View
Ray, George J. Delaware, Lackawanna & Western Railroad
Patrick McKnight
Thursday, April 10, 2014 2:16:15 PM
Wednesday, August 9, 2017 12:12:00 PM
STEA-0a04ac3685144624a5566b2cc6307ac4.jpg
Monday, January 1, 0001 12:00:00 AM
jpg
2.3 MB
Historic , Museum