Employee Housing, Extension of Tecoya Area - Structural Details Typical for All Units E, F, & M
Select Item below to DOWNLOAD - Once item is selected, right click and choose 'save as'
c915e0d3-74f6-4efe-a824-188c09a4fd53
Employee Housing, Extension of Tecoya Area - Structural Details Typical for All Units E, F, & M
Employee Housing, Extension of Tecoya Area - Structural Details Typical for All Units E, F, & M
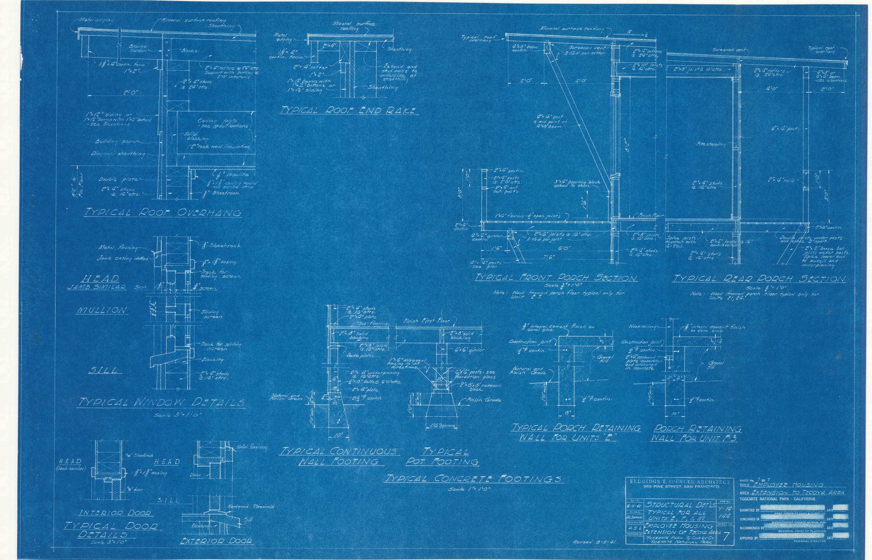
Blueprint showing plans for the construction of additional employee housing in the Tecoya area for Yosemite Park & Curry Co., including roof overhang, window details, door details, roof end rake, concrete footings, porch retaining walls, and porch sections, job no. Y-14 144, sheet 7 of 7
Item Number YOSEMCA0510_07, Scan Number: YOSE_MCA_-0227
Contact Yosemite National Park for more copyright information and use
Restrictions apply on use and/or reproduction
Image
Yosemite National Park, Code: YOSE
Yosemite National Park, California
Yosemite National Park, California
Latitude: 37.8399200439453, Longitude: -119.540397644043

1941/08/05
08/05/1941
Type: Blueprint, Dimensions: 36 x 24
Public Can View
Eldridge T. Spencer
Person: Archivist
Organization: US National Park Service
Address: Yosemite National Park Archives, PO Box 700-W, El Portal, CA 95318
Email: yose_archives@nps.gov

Tuesday, April 8, 2025 11:05:38 PM
Tuesday, April 8, 2025 11:05:38 PM
YOSEMCA0510_07.tif
tif
956.3 MB
Historic