Structural Details Merchandise Center Yosemite Park and Curry Co. Yosemite National Park
Select Item below to DOWNLOAD - Once item is selected, right click and choose 'save as'
9da7bf82-11e9-4a84-a54c-09ab5823dfd8
Structural Details Merchandise Center Yosemite Park and Curry Co. Yosemite National Park
Structural Details Merchandise Center Yosemite Park and Curry Co. Yosemite National Park
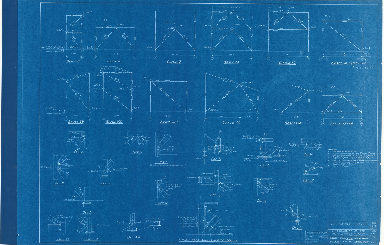
Diagram and details of braces
Item Number: YOSEAR000345G; AlternateId: S-7, 5314
Contact Yosemite National Park for more copyright information and use
Public domain:This digital asset is in the public domain. When using this asset for any purpose, including online, credit:'Courtesy U.S. National Parks'
Image
Yosemite National Park, Code: YOSE
Yosemite National Park, California
Latitude: 37.8399200439453, Longitude: -119.540397644043

1956
01/01/1956 - 12/30/1956
Type: blueprint; Dimensions: 28 x 42.5; Condition: good
YOSE Location: E1 DR9 F6
Public Can View
Spencer and Ambrose
Hall Pregnoff and Matheu
Person: Archivist
Organization: US National Park Service
Address: Yosemite National Park Archives, PO Box 700-W, El Portal, CA 95318
Email: yose_archives@nps.gov

Tuesday, July 26, 2022 7:28:59 PM
Tuesday, July 26, 2022 7:28:59 PM
YOSEAR000345G.tif
tif
193.8 MB
Scenic , Map