Yosemite Lodge 1955
Select Item below to DOWNLOAD - Once item is selected, right click and choose 'save as'
7b1b2170-09a4-4df8-ad03-d1d4ff07b24a
Yosemite Lodge 1955
Yosemite Lodge 1955
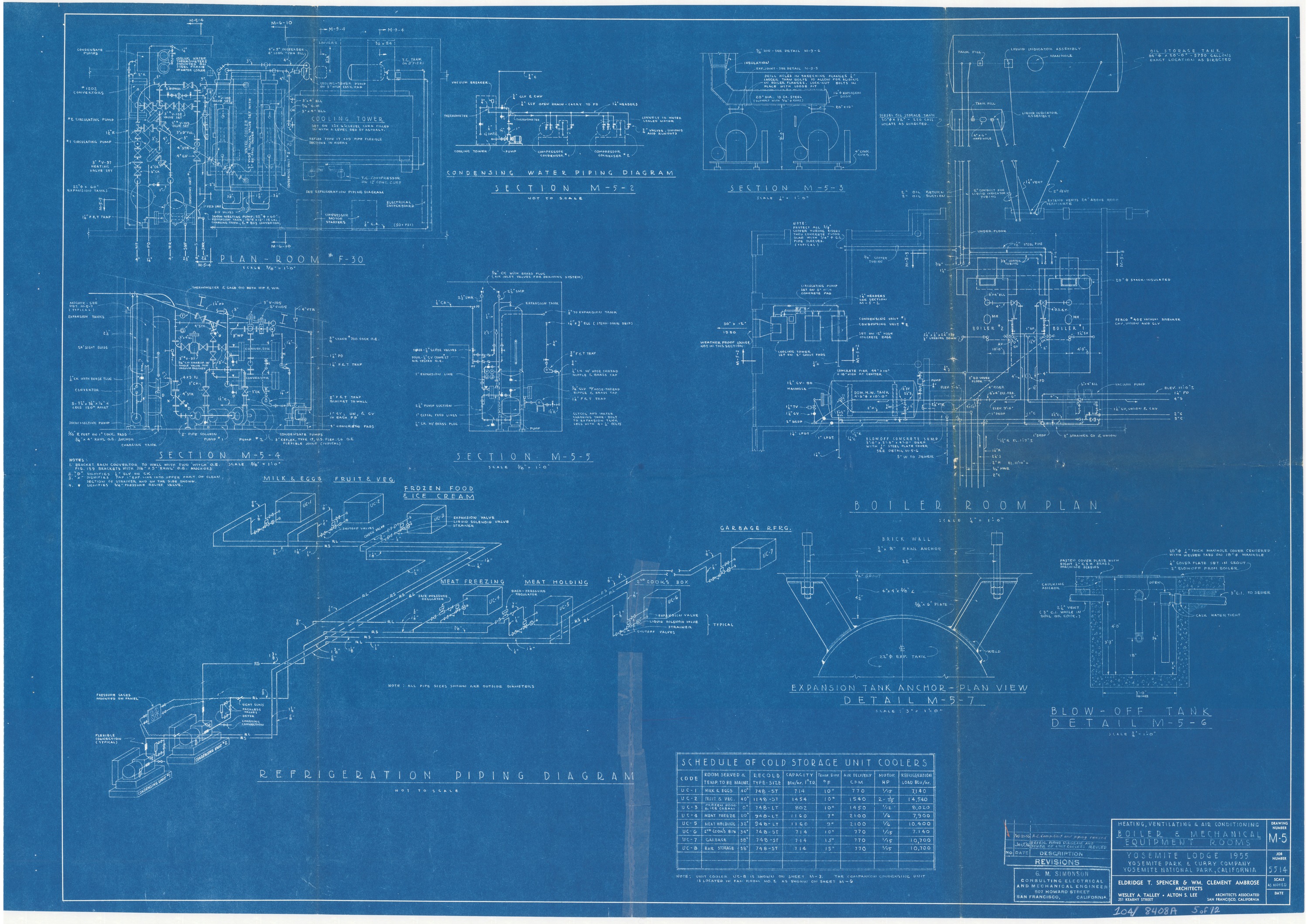
heating, ventilation, and air conditions - boiler and mechanical equipment rooms
Item Number: YOSEAR002070C, AlternateId: Job No. 5514, 104/8408A
Contact Yosemite National Park for more copyright information and use
Public domain:This digital asset is in the public domain. When using this asset for any purpose, including online, credit:'Courtesy U.S. National Parks'
104/8408A, (YOSE TIC Number)
Image
Yosemite National Park, Code: YOSE
Yosemite National Park, California
Yosemite National Park, California
Latitude: 37.8399200439453, Longitude: -119.540397644043

1955
01/01/1955 - 12/30/1955
Type:blueprint, Dimensions: 28 x 40, Condition: good
YOSE Location: E4 DR18 F2
Public Can View
Eldridge T. Spencer & Wm. Clement Ambrose
G.M. Simonson
Person: Archivist
Organization: US National Park Service
Address: Yosemite National Park Archives, PO Box 700-W, El Portal, CA 95318
Email: yose_archives@nps.gov

Tuesday, August 1, 2023 4:16:47 PM
Tuesday, August 1, 2023 4:16:47 PM
YOSEAR002070C.jpg
jpg
84.1 MB
Historic , Map