Select Item below to DOWNLOAD - Once item is selected, right click and choose 'save as'
0ee5199a-ae71-45ec-bf4f-739139a1076e
20414.BL-Paterson, NJ--Mill Street Bridge [1927]
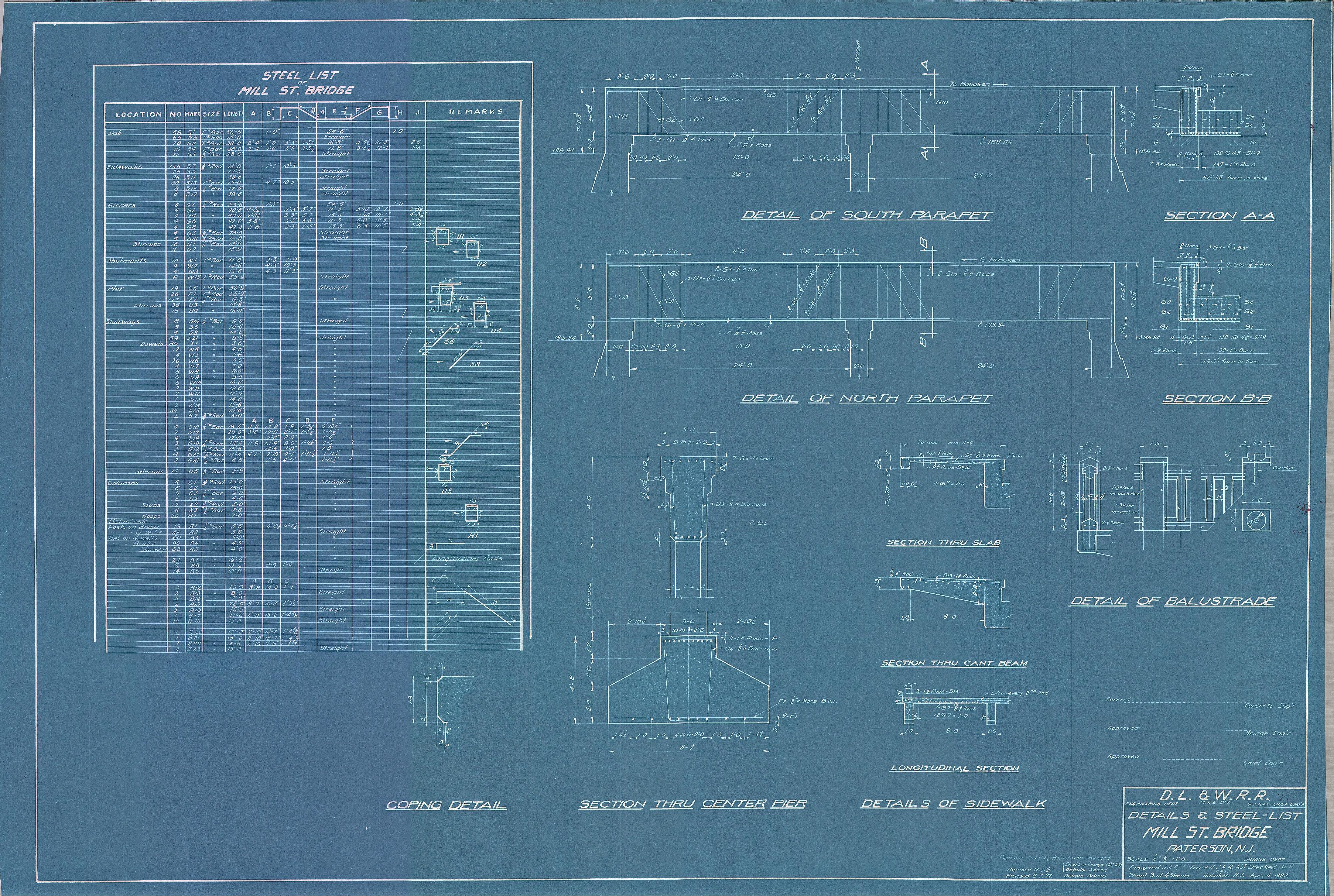
Mill Street Bridge--Details and steel list--Paterson, NJ [1927.04.04] Sheet no. 3 of 4
Permission must be secured from the individual copyright owners to reproduce any copyrighted materials contained within this website. Digital assets without any copyright restrictions are public domain.
Public domain
Railroads, (NPS Focus Subject Thesaurus)
Image
Steamtown National Historic Site, Code: STEA
Paterson, NJ
Mill Street Bridge
ANCS : 002/003.06.03.02-20414.BL
Legacy NPS Focus Record ID : 511902
04/04/1927 - 06/14/1927
Public Can View
Ray, George J. Delaware, Lackawanna & Western Railroad
Patrick McKnight
Monday, April 7, 2014 1:05:40 PM
Wednesday, August 9, 2017 12:22:10 PM
STEA-0b4677de25b64613922b898924e688fa.jpg
Monday, January 1, 0001 12:00:00 AM
jpg
2.5 MB
Historic , Museum