Select Item below to DOWNLOAD - Once item is selected, right click and choose 'save as'
9f1f5f0c-849e-422e-890c-9ca0e8bcc648
20424.BL-(GROUP 3) Jersey City, NJ--Lower Hackensack River Bridge [1927-1928]
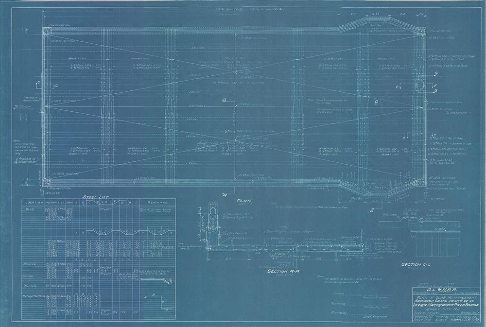
031 Lower Hackensack River Bridge--Plan of slab reinforcement--Approach spans 3W--2W and 2E--3E--Jersey City, NJ [1927.10.27] Sheet no. 31--Includes steel list
Permission must be secured from the individual copyright owners to reproduce any copyrighted materials contained within this website. Digital assets without any copyright restrictions are public domain.
Public domain
Railroads, (NPS Focus Subject Thesaurus)
Image
Steamtown National Historic Site, Code: STEA
Jersey City, NJ
Lower Hackensack River Bridge
ANCS : 002/003.06.03.02-20424.BL
Legacy NPS Focus Record ID : 512122
Public Can View
Ray, George J. Delaware, Lackawanna & Western Railroad
Patrick McKnight
Monday, April 7, 2014 2:57:47 PM
Thursday, August 10, 2017 4:16:22 AM
STEA-75bf6500b4044914ac14316529eb26ce.jpg
Monday, January 1, 0001 12:00:00 AM
jpg
2.5 MB
Historic , Museum