Select Item below to DOWNLOAD - Once item is selected, right click and choose 'save as'
3441f88b-3123-43c2-9848-9edfae99e716
20464.BL-(GROUP 1) East Orange, NJ--East Orange Improvements [1921-1922]
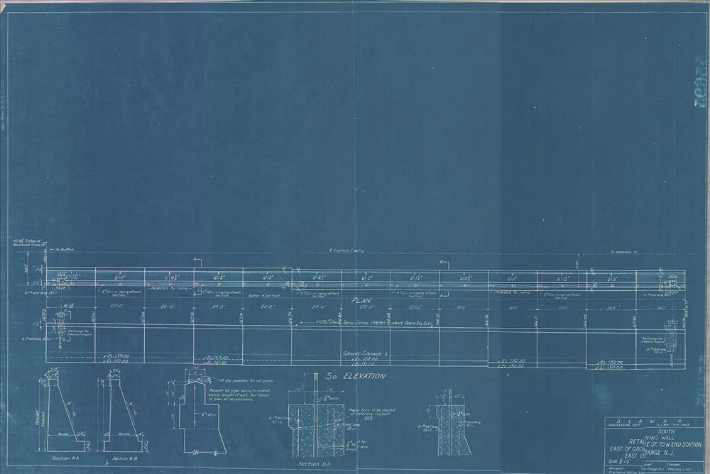
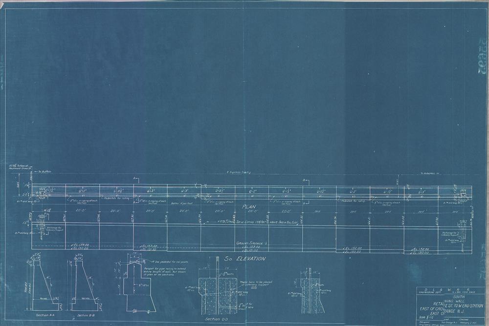
East Orange Improvements--South retaining wall at East Grove Street to West End Station--East Orange, NJ [1922.02.02]
Permission must be secured from the individual copyright owners to reproduce any copyrighted materials contained within this website. Digital assets without any copyright restrictions are public domain.
Public domain
Railroads, (NPS Focus Subject Thesaurus)
Image
Steamtown National Historic Site, Code: STEA
East Orange, NJ
East Orange Improvements
ANCS : 002/003.06.03.02-20464.BL
Legacy NPS Focus Record ID : 513042
Public Can View
Ray, George J. Delaware, Lackawanna & Western Railroad
Patrick McKnight
Friday, April 11, 2014 7:37:04 AM
Wednesday, August 9, 2017 4:48:58 PM
STEA-14ed68bc798841c8a546300e5588fb32.jpg
Monday, January 1, 0001 12:00:00 AM
jpg
2.2 MB
Historic , Museum