Select Item below to DOWNLOAD - Once item is selected, right click and choose 'save as'
331e8161-234a-49f9-849d-5a2efe0b12c4
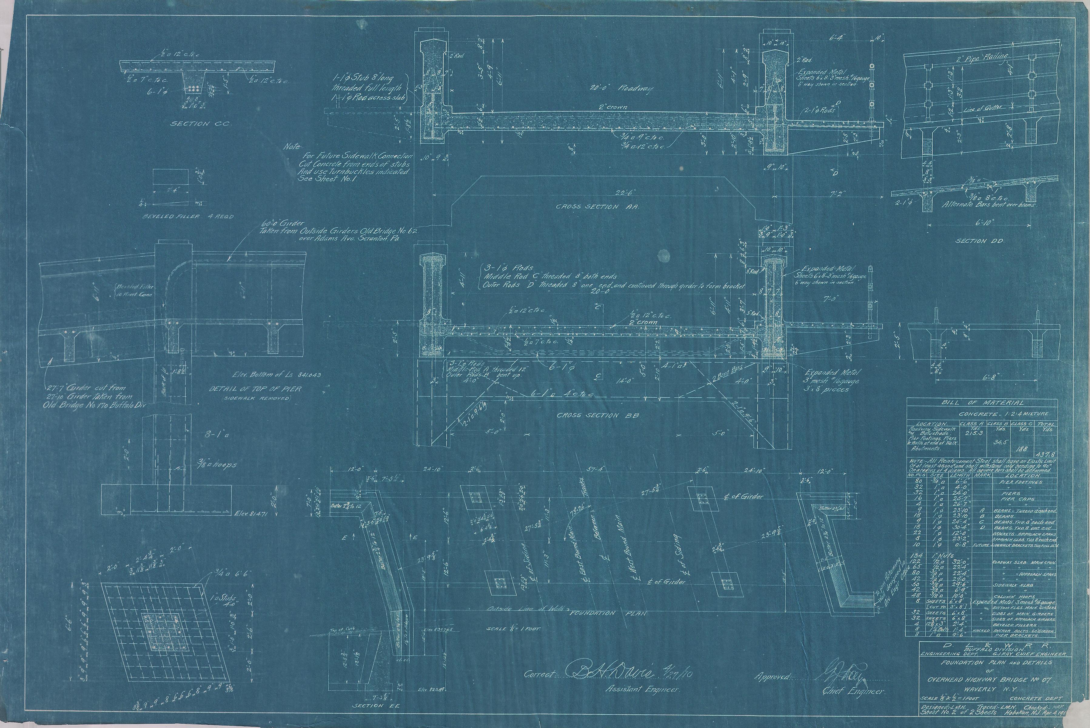
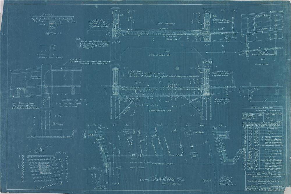
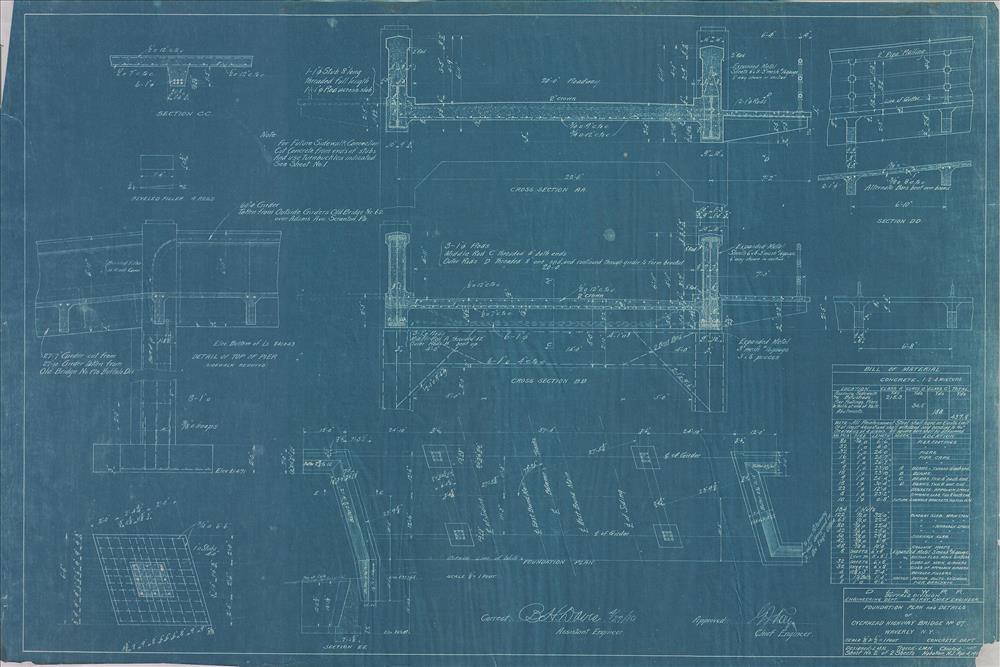
20080.BL-Waverly, NY--Overhead highway bridge no. 7
Overhead highway bridge no. 7--Foundation plan and details--Waverly, NY [1910.04.04] Sheet no. 2 of 2
Permission must be secured from the individual copyright owners to reproduce any copyrighted materials contained within this website. Digital assets without any copyright restrictions are public domain.
Public domain
Architectural Drawing, (NPS Focus Subject Thesaurus)
, Railroads, (NPS Focus Subject Thesaurus)
Image
Steamtown National Historic Site, Code: STEA
Waverly, NY
Overhead highway bridge no. 7
ANCS : 002/003.06.03.02-20080.BL
Legacy NPS Focus Record ID : 506083
Public Can View
Ray, George J. Delaware, Lackawanna & Western Railroad
Patrick McKnight
Tuesday, March 18, 2014 10:27:27 AM
Wednesday, August 9, 2017 4:40:43 PM
STEA-36c73df930204158b579518a33e16130.jpg
Monday, January 1, 0001 12:00:00 AM
jpg
1.9 MB
Historic , Museum