Select Item below to DOWNLOAD - Once item is selected, right click and choose 'save as'
2f38c5e3-c74d-4a04-b946-f01d49119dfe
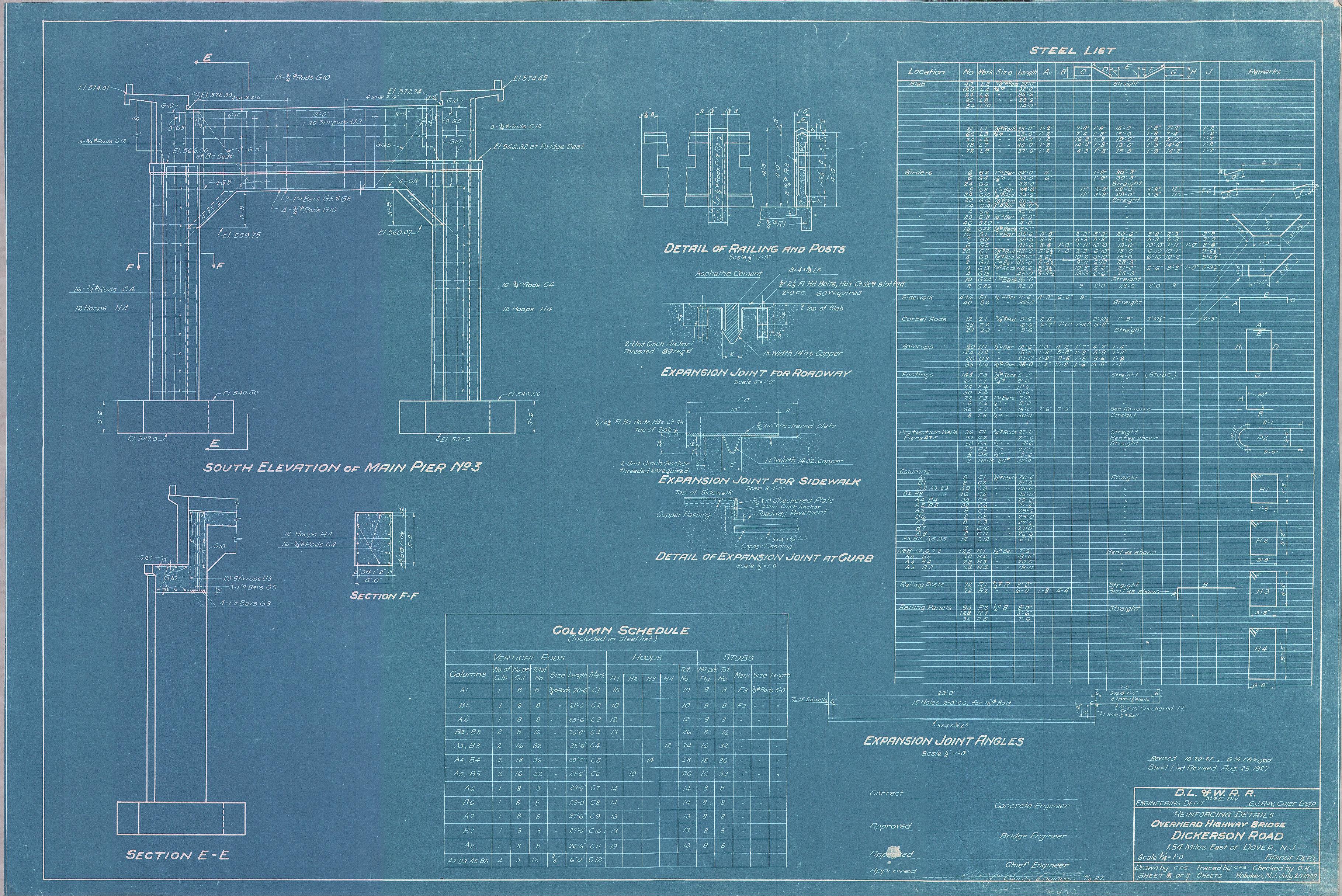
20423.BL-Dover, NJ [1.54 miles east]--Overhead Highway Bridge--Dickerson Road [1927]
Overhead Highway Bridge--Dickerson Road-Reinforcing details showing south elevation of main Pier no. 3--1.54 miles east of Dover, NJ [1927.07.20] Sheet no. 6 of 7--Includes steel list and column schedule
Permission must be secured from the individual copyright owners to reproduce any copyrighted materials contained within this website. Digital assets without any copyright restrictions are public domain.
Public domain
Railroads, (NPS Focus Subject Thesaurus)
Image
Steamtown National Historic Site, Code: STEA
Dover, NJ
Overhead Highway Bridge
Dickerson Road
ANCS : 002/003.06.03.02-20423.BL
Legacy NPS Focus Record ID : 512062
01/20/1927 - 09/09/1927
Public Can View
Ray, George J. Delaware, Lackawanna & Western Railroad
Patrick McKnight
Monday, April 7, 2014 2:09:46 PM
Wednesday, August 9, 2017 4:09:25 PM
STEA-37f656f969e241579c8ef7966cde4cca.jpg
Monday, January 1, 0001 12:00:00 AM
jpg
2.6 MB
Historic , Museum