Select Item below to DOWNLOAD - Once item is selected, right click and choose 'save as'
2764dafe-508a-4177-8fc3-d6b735f2b20a
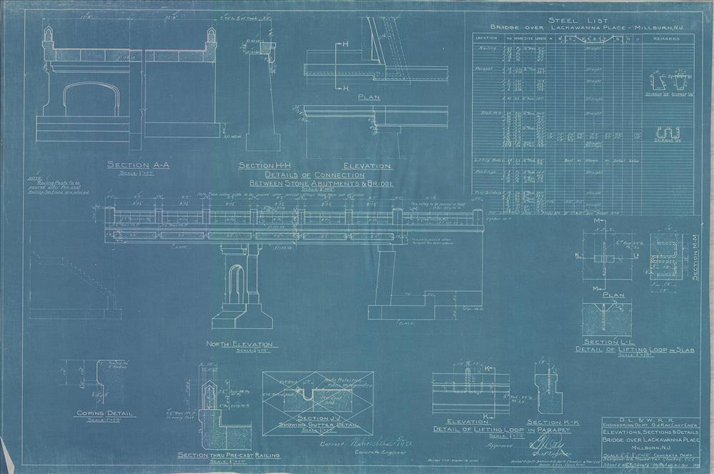
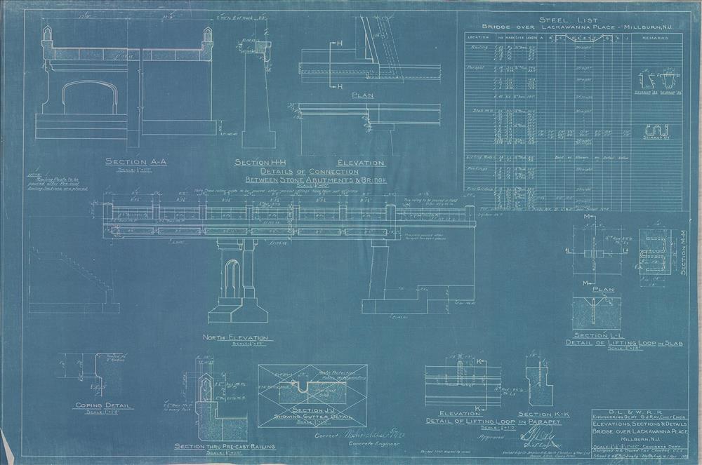
20364.BL-Millburn, NJ--Bridge over Lackawanna Place [1923]
Bridge over Lackawanna Place--Elevations, sections and details--Millburn, NJ [1923.04] Sheet no. 2 of 5
Permission must be secured from the individual copyright owners to reproduce any copyrighted materials contained within this website. Digital assets without any copyright restrictions are public domain.
Public domain
Railroads, (NPS Focus Subject Thesaurus)
Image
Steamtown National Historic Site, Code: STEA
Millburn, NJ
Bridge over Lackawanna Place
ANCS : 002/003.06.03.02-20364.BL
Legacy NPS Focus Record ID : 511582
04/01/1923 - 06/29/1923
Public Can View
Ray, George J. Delaware, Lackawanna & Western Railroad
Patrick McKnight
Monday, April 7, 2014 10:41:20 AM
Wednesday, August 9, 2017 3:01:02 PM
STEA-f49db29886ff4f34917f8eece8cef833.jpg
Monday, January 1, 0001 12:00:00 AM
jpg
2.4 MB
Historic , Museum