Select Item below to DOWNLOAD - Once item is selected, right click and choose 'save as'
1dd0dcaf-0bd8-4cef-b2c9-daa33fd7d995
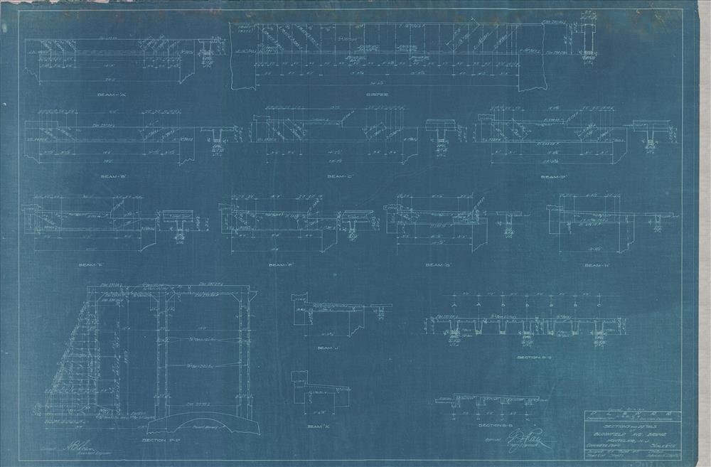
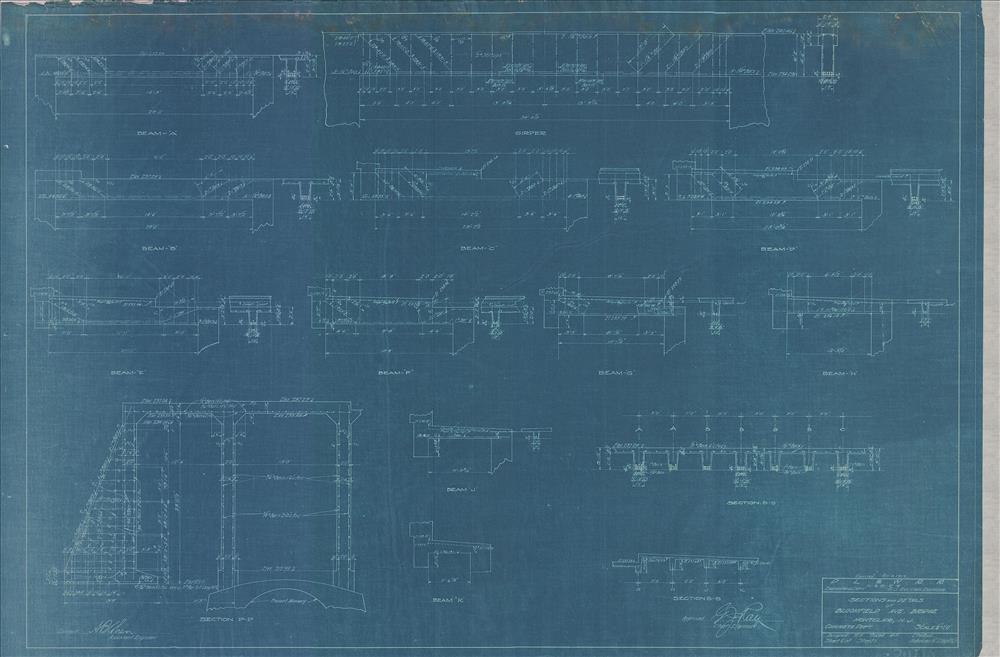
20116.BL-Montclair, NJ--Bloomfield Avenue Bridge [1911]
Bloomfield Avenue Bridge--Sections and details--Montclair, NJ [1911.09.26] Sheet no. 5
Permission must be secured from the individual copyright owners to reproduce any copyrighted materials contained within this website. Digital assets without any copyright restrictions are public domain.
Public domain
Architectural Drawing, (NPS Focus Subject Thesaurus)
, Railroads, (NPS Focus Subject Thesaurus)
Image
Steamtown National Historic Site, Code: STEA
Montclair, NJ
Bloomfield Avenue Bridge
ANCS : 002/003.06.03.02-20116.BL
Legacy NPS Focus Record ID : 506543
Public Can View
Ray, George J. Delaware, Lackawanna & Western Railroad
Patrick McKnight
Tuesday, March 18, 2014 2:25:30 PM
Wednesday, August 9, 2017 1:49:19 PM
STEA-6dd90fb18a384b73a934cdff462992b2.jpg
Monday, January 1, 0001 12:00:00 AM
jpg
2.1 MB
Historic , Museum