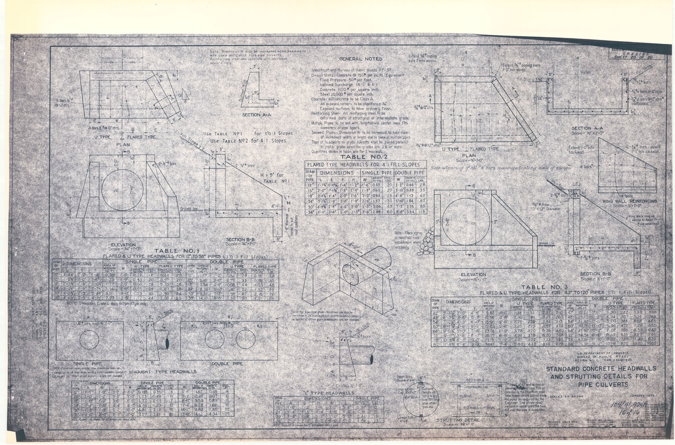
Standard Concrete Headwalls and Strutting Details for Pipe Colverts
Select Item below to DOWNLOAD - Once item is selected, right click and choose 'save as'
0d5cc574-8990-4f31-94d4-81d7054001f2
Standard Concrete Headwalls and Strutting Details for Pipe Colverts
Standard Concrete Headwalls and Strutting Details for Pipe Colverts
Diagrams and descriptions of sections and elevations for pipe culverts
Item Number: YOSEAR000475P; TIC No: 104/41,924A; Alternate Id: 16 of 16, 20 of 20
Contact Yosemite National Park for more copyright information and use
Public domain:This digital asset is in the public domain. When using this asset for any purpose, including online, credit:'Courtesy U.S. National Parks'
41,924A, (YOSE TIC Number)
Image
Yosemite National Park, Code: YOSE
Yosemite National Park, California
Latitude: 37.8399200439453, Longitude: -119.540397644043

05011957
05011957
Type: diazo; Dimensions: 24 x 36; Condition: good
YOSE Location: E1 DR15 F1
Public Can View
US Department of Commerce Bureau of Public Roads
Person: Archivist
Organization: US National Park Service
Address: Yosemite National Park Archives, PO Box 700-W, El Portal, CA 95318
Email: yose_archives@nps.gov

Tuesday, July 26, 2022 5:33:07 PM
Tuesday, July 26, 2022 5:33:07 PM
YOSEAR000475P.tif
tif
186.0 MB
Scenic , Map