Select Item below to DOWNLOAD - Once item is selected, right click and choose 'save as'
0ca49bcb-d5aa-4f1e-a94f-8e44fff84f08
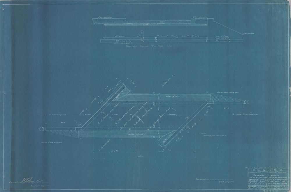
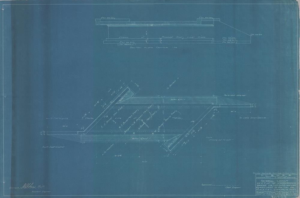
20222.BL-4.5 miles west of Dalton, PA--24-foot flat-top undercrossing bridge no. 7.20 over highway [1913]
24-foot flat-top undercrossing bridge no. 7.20 over highway--General layout--4.5 miles west of Dalton, PA [1913.04.02] Martins Creek Cut-Off line--Concrete Department--Sheet no. 1 of 3
Permission must be secured from the individual copyright owners to reproduce any copyrighted materials contained within this website. Digital assets without any copyright restrictions are public domain.
Public domain
Railroads, (NPS Focus Subject Thesaurus)
Image
Steamtown National Historic Site, Code: STEA
Dalton, PA
24-foot flat-top undercrossing bridge no. 7.20 over highway
ANCS : 002/003.06.03.02-20222.BL
Legacy NPS Focus Record ID : 507782
04/01/1913 - 04/29/1913
Public Can View
Ray, George J. Delaware, Lackawanna & Western Railroad
Patrick McKnight
Tuesday, March 25, 2014 2:40:34 PM
Wednesday, August 9, 2017 12:08:02 PM
STEA-41db0dbdfd7a4da0a399e47ff5610cac.jpg
Monday, January 1, 0001 12:00:00 AM
jpg
2.1 MB
Historic , Museum